新聞中心
產品中心
聯系我們
深圳市東么川伺服控制技術有限公司
電話:13316379101
郵箱:1355229533@qq.com
地址:深圳市龍華區民治街道樟坑社區青創城A棟B502
130三相步進電機技術參數/接線方法/尺寸圖
發布時間:2020-11-23 05:53:13

在使用130三相步進電機之前,請您仔細詳讀本手冊以確保使用上的正確。此外,請將它妥善放置在安全的地點以便隨時查閱。下列在您尚未讀完本手冊時,請務必遵守事項:
l 安裝的環境必須沒有水氣,腐蝕性氣體及可燃性氣體
l 接線時禁止將電源接至電機輸出端子,一旦接錯時將損壞驅動器
l 在通電時,請勿拆解驅動器、電機或更改配線
l 在通電運作前,請確定緊急停機裝置是否隨時啟動
l 在通電運作時,請勿接觸散熱片,以免燙傷
本使用操作手冊適合下列使用者參考
l 安裝或配線人員
l 試轉調機人員
l 維護或檢查人員
電機用于通用工業設備。要注意下列事項:
(1).為了確保正確操作,在安裝、接線和操作之前必須通讀操作說明書。
(2).勿改造產品。
(3).當在下列情況下使用本產品時,應該采取有關操作、維護和管理的相關措施。在這種情況下,請與我們聯系。
① 用于與生命相關的醫療器械。
② 用于可能造成人身安全的設備,例如:火車或升降機。
③ 用于可能造成社會影響的計算機系統
④ 用于有關對人身安全或對公共設施有影響的其他設備。
(4).對用于易受震動的環境,例如:交通工具上操作,請咨詢我們。
(5).如未按上述要求操作,造成直接或間接損失,我司將不承擔相關責任。
2.130三相步進電機產品規格說明
| 項目 | 技術參數 |
| 步距角 | 1.2° |
| 步距角精度 | ±5%(整步,空載) |
| 電阻精度 | ±10%(@20°) |
| 電感精度 | ±20%( 1KHz) |
| 溫升 | 80℃Max.(額定電流,2相通電) |
| 環境溫度 | -20°~ + 50℃ |
| 絕緣電阻 | 100MΩMin.500VDC |
| 耐壓 | 500VAC一分鐘 |
| 徑向間隙 | 0.025mmMax.(450g負載) |
| 軸向間隙 | 0.1-0.3 mmMax.(450g負載) |
| 型號 |
步距角 (度) |
額定電流 (A) |
相電阻 (Ω) |
相電感 (mH) |
保持轉矩 (N.M) |
轉子慣量 (g.c㎡) |
重量 (kg) |
機身長 (mm) |
軸徑 (mm) |
引線數 |
| 1303S15 | 1.2 | 6.90 | 0.88 | 3.70 | 15 | 20000 | 11.0 | 154.0 | 24 | 平鍵8x30 |
| 1303S20 | 1.2 | 6.90 | 1.10 | 4.90 | 20 | 25700 | 14.1 | 183.0 | 24 | 平鍵8x30 |
| 1303S28 | 1.2 | 6.90 | 2.80 | 17.90 | 28 | 33970 | 17.2 | 215.0 | 24 | 平鍵8x30 |
| 1303S35 | 1.2 | 6.90 | 3.30 | 21.52 | 35 | 41240 | 19.8 | 247.0 | 24 | 平鍵8x30 |
| 1303S50 | 1.2 | 6.90 | 4.20 | 28.90 | 50 | 55780 | 25.0 | 311.0 | 24 |
平鍵8x30 |
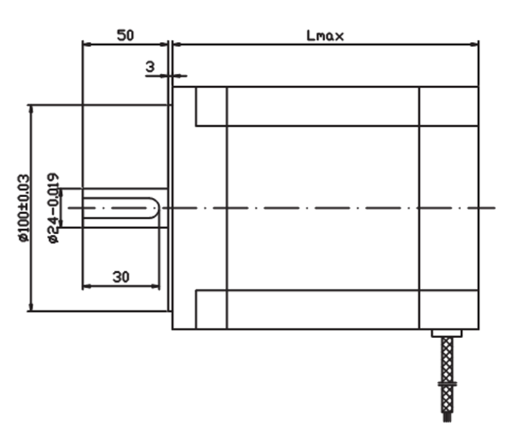
4.130三相步進電機外形尺寸:


5.130三相步進電機接線方式:

6.附:東么川保修條款
為創造品牌,提高企業知名度,樹立企業形象,我公司本著“一切追求高質量,用戶滿意為宗旨”的精神,以“最優惠的價格、最周到的服務、最可靠的產品質量”的原則向您鄭重承諾:一年保修期,東么川公司對產品的原材料和工藝缺陷提供從發貨日起一年的質保,在保修期內,東么川為有缺陷的產品提供免費維修服務。
維修流程:
1.維修產品,發貨前需致電東么川伺服客戶服務人員,與客服人員提前溝通;
2.附寄書面說明書,說明返修驅動器的故障現象,故障發生時的電壓、電流和使用環境等情況,聯系人的姓名、電話號碼及郵寄地址等信息;
- 上一篇:步進電機細分講解及細分好處
- 下一篇:如何延長步進電機使用壽命?了解電機部件
產品推薦:兩相步進電機
產品推薦:無刷電機
產品推薦:兩相步進驅動器
產品推薦:直流無刷驅動器




























地址 ADDRESS