新聞中心
產品中心
聯系我們
深圳市東么川伺服控制技術有限公司
電話:13316379101
郵箱:1355229533@qq.com
地址:深圳市龍華區民治街道樟坑社區青創城A棟B502
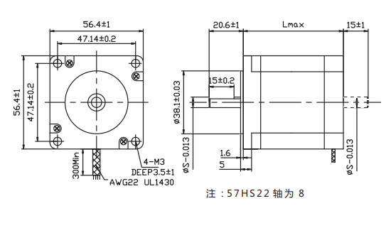
57兩相步進電機實物接線圖、電機尺寸圖
發布時間:2020-10-10 02:20:58
很多朋友都不知道步進電機應該如何接線,下面深圳東么川分享57兩相步進電機實物接線圖,如下:
57mm兩相混合式步進電機接線方式:

57mm兩相混合式步進電機尺寸圖:

57mm兩相混合式步進電機接線方式:

57mm兩相混合式步進電機尺寸圖:

東么川57兩相步進電機具有輸出轉矩大、低溫升、低噪聲、低振動的特點,可靠性和穩定性高。
電機運行平穩,無明顯的振蕩區,可滿足自動化行業不同工況的使用。
●雙極性 1.8°
●機座號:57
●保持轉矩:0.90~3.00N.M
●輸出轉矩大 ,高轉速
●電機發熱小,噪音低,效率高
●高速停止平穩快速,無零速振蕩運行平穩,振動噪聲小
●響應速度快,適合頻繁啟停的場合
深圳東么川步進電機廠家,生產步進電機、無刷電機、步進驅動器等,歡迎咨詢。產品推薦:兩相步進電機
產品推薦:無刷電機
產品推薦:兩相步進驅動器
產品推薦:直流無刷驅動器




























地址 ADDRESS